Global
选择语言
一.前言
对于庞大的光伏电站而言,汇流箱的金额只占1%,但100%的电流从中通过,调试运维期间汇流箱故障占整个电站20-30%。此外不安全的汇流箱很有可能会导致起火,威胁财产和人生安全。
接下来小固将从产品功能介绍、产品展示、技术参数、接线原理图、安装工具、安装注意事项、接线等方面介绍下光伏交流汇流箱,旨在让光伏人更加了解汇流箱,更加了解其安装的方法和注意的细节。
二. 光伏交流汇流箱产品功能介绍
l 光伏交流汇流箱采用组串式逆变器的光伏发电系统,安装于逆变器交流输出侧和并网点/负载之间。
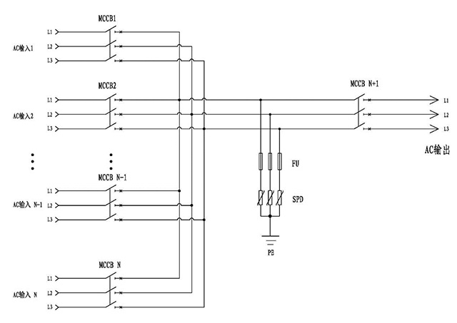
l 内部配置有输入断路器、输出断路器、交流防雷器,可选配智能监控仪表(监测系统电压,电流,功率,电能等信号)
l 主要作用:汇流多个逆变器的输出电流,同时保护逆变器免受到来自交流并网侧/负载的危害,作为逆变器输出断开点,提高系统的安全性,保护安装维护人员的安全性。
三. 光伏汇流箱产品展示
以4汇1的交流汇流箱(400V/50KW)为例,共有4台50KW的逆变器:
标号1:逆变器输出端直接连接到该4P断路器上,断路器可以迅速切断故障电流,逆变器最大交流输出电流为80A,空开规格按照逆变器最大电流的1.25倍,选择100A的塑壳断路器。
标号2:三台逆变器汇流之后总的断路器为额定电流为350A的塑壳断路器。接到该断路器的电缆通过铜排连接,线径为150mm2。
标号3:熔断器(保险)是一种过电流保护器,当被保护电路的电流超过规定值,熔丝熔断使电路断开起到保护的作用,一般在防雷浪涌失效之后才会动作,可以选择100A的熔断器。
标号4:浪涌保护器用于抑制瞬态过压低于设备耐受冲击过电压,泄放电涌能量,从而保护系统电路及设备。规格Uc:750V Imax:40KA In:20KA Up≤2.6KV,浪涌的下面一定要接地。
四. 光伏交流汇流箱技术参数
l 交流汇流箱的技术参数
光伏交流汇流箱接线原理图
五. 光伏交流汇流箱安装工具介绍

光伏交流汇流箱安装注意事项
箱体的防护等级为IP65,适合户外安装,安装位置应满足一下几点要求:
l 汇流箱的按照位置应充分考虑到其外形尺寸及重量(参见参数章节)
l 汇流箱的安装环境温度应在-25℃`+60℃之间,相对湿度在0-95%之间
l 汇流箱应安装在干燥、通风良好、防尘的地方
l 进出线型式及安装方式:铠装电缆下进下出,室外光伏组件支架后立柱悬挂安装。
l 避免安装在太阳直射的地方,否则过高的温度会减少系统发电量,还可能影响汇流箱的使用寿命
l 为了更好的散热且方便日常维护,安装汇流箱的四个方向保持足够的空间
注意:线路连接(载流)螺钉扭力要求:
六. 光伏交流汇流箱接线
l 接线前准备
1. 打开汇流箱
2. 将所有塑壳断路器MCCB置于脱扣状态
l 输入接线
1. 按照接线原理图接线,接线前需要确认相序、确认无接地故障
2. 拧松汇流箱的下端防水端子的收紧螺帽
3. 将输入电缆穿过白色电缆接头;线缆长度要留有余量,以便汇流箱内部弯曲固定
4.压接线鼻子
5. 用6 号内六角扳手把断路器器输入端3 套M8 内六角螺丝松掉,断路器入端按三相黄从左至右顺序接线。接6 组输入线。M8 扭力11N.m

6.旋紧进线电缆接头的收紧螺帽
l 输出接线(推荐)
工具为:压线钳;长柄十字螺丝刀;M10内六角套筒扳手(M6)
1.汇流箱的输出端接法和输入接法类似,将线缆剥好线,将铜鼻子套在剥开的线上
2. 使用压线工具进行压线
3. 套相应的热缩管,正极为红色,负极为黑色
4. 拧松防水接头,逆时针方向旋转,将导线穿过电缆接头
5. 将做好的导线接入到断路器输出端铜排。旋紧输出端的螺丝M10 螺丝(扭力25N.m),再将线理整齐平整
6. 顺时针方向拧紧防水接头
七. 总结
光伏交流汇流箱是光伏系统的重要部件,本文从多个方面介绍了汇流箱,大家在选择设备时,需要从材料、设计、工艺、检测、认证等多个方面进行挑选,从而减少设备的故障,减少运维的成本,增加光伏系统的安全。通过这次分享,希望大家对光伏交流汇流箱有所了解,后续小固还会推出更实用、更有料的文章,也希望大家继续关注固德威光伏逆变器!
加入我们